ANGULAR HEAD ST20 90 DEG SPINDLE.
The PRO Jet Spindle – POWER & SPEED TR models are the culmination of an advanced R&D initiative in high-speed spindle engineering; offering speeds from 35,000 to 55,000 rpm while the main machine spindle remains idle. It’s ideal for a wide range of semi-finishing and finishing applications using small cutting tools such as milling, drilling, thread-milling, engraving, chamfering, deburring, grinding and more.
| Operational Data | SPEED JET 90DEG | POWER JET 90DEG |
|---|---|---|
| Operating range of coolant pressure [BAR]* | 20-40 | 15-70 |
| Operating range of coolant flow rate [L/min] | 10-20 | 16-22 |
| Rotational spindle speed [Krpm]* | 35-55 | 18-45 |
| Optimum cutting tool diameter [mm] Drilling | 0.3-2.0 | 0.3-3.0 |
| Optimum cutting tool diameter [mm] Milling | 0.3-3.5 | 1.0-4.0 |
| Max output power [Kw] | 0.5 | 1.5 |
| Compatible adaptor models | FC, RC | FC, RC |
| Weight (Kg) | 2.2 | 2.3 |
- Coolant pressure is measured from the spindle inlet
- Rotational spindle speed is based on coolant pressure and flow rate
- Spindle speed may vary up to 7%
- Contact factory for other details
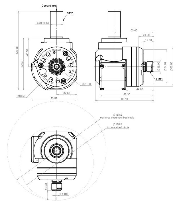
ST20 Angle Head 90 Degrees
| Designation | P/N | Adaptor | L [mm] | Tool d max mm | Kg |
|---|---|---|---|---|---|
| ST20 90D POWER Jet | 47-055-999 | ST20 | 85.50 | 6.0 | 1.7 |
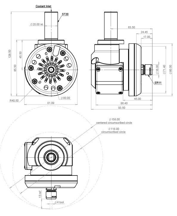
ST20 Angle Head 90 Degrees
| Designation | P/N | Adaptor | L mm | Tool d max mm | Kg |
|---|---|---|---|---|---|
| ST20 90D SPEED Jet | 37-035-999 | ST20 | 82.70 | 4.0 | 1.6 |
Downloads
no files found
Downloads
no files found












































Colibri Spindle Products